LX型5吨电动单梁悬挂起重机行吊
LD型10吨电动单梁桥式起重机行车
LD型16吨电动单梁起重机行车
地铁龙门吊 45吨地铁出渣土门式起重机
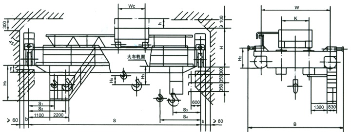
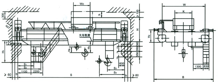
QD75/20吨双梁桥式起重机技术参数
QD50/10吨双梁桥式起重机技术参数
QD32/5吨双梁桥式起重机技术参数
QD20/5吨和16吨双梁桥式起重机参数
QZ型5吨到20t抓斗桥式起重机 抓斗吊
起重机_桥式起重机_门式起重机_厂家-开云·体育-开云(中国)
地址:河南省新乡市封尹起重工业园区
联系人:销售部 15249732888
邮箱:319929033@qq.com